I Forum di Amici della Vela
Corrosione sail drive - Versione stampabile

+- I Forum di Amici della Vela (https://forum.amicidellavela.it)
+-- Forum: TECNICA E MANUTENZIONE (https://forum.amicidellavela.it/forumdisplay.php?fid=12)
+--- Forum: Motori (https://forum.amicidellavela.it/forumdisplay.php?fid=16)
+--- Discussione: Corrosione sail drive (/showthread.php?tid=115975)

Pagine: 1 2 3 4 5 6 7 8 9 10


RE: Corrosione sail drive - Markolone - 05-05-2019

Riprendo questa interessante discussione perchè ad un amico è successa una cosa analoga come effetto finale (piede ampiamente corroso con acqua salata che è entrata negli ingranaggi). Vi sono però alcune differenze partendo dalle quali ho fatto una ipotesi che vi chiedo di valutare. Anche perchè probabilmente acquisterà un motore nuovo e non è il caso di replicare la storia. Prima differenza: si tratta di un motore e piede Yanmar per cui, leggendo il 3D, non dovrebbe avere isolamenti.
In ogni caso il piede non è stato toccato e in passato era stato in acqua nello stesso porto anche due anni di fila con consumo normale dello zinco. Cosa è stato fatto rispetto agli anni precedenti:
1) sostituzione elica da 2 a 3 pale ma sempre in alluminio (così è stato detto e così sembra anche ad una analisi visiva)
2) Il bulbo in acciaio nel 2018 era stato interamente portato a metallo e (per mancanza di tempo) ricoperto da una semplice mano di primer seguita da antivegetativa. Il bulbo attualmente presenta solo un lieve strato di ruggine rimossa con facilità ma non ha segni evidenti di corrosione.
E' ragionevole pensare che la corrosione sia dovuta alla pila creata tra l'allumino del piede ed il bulbo in acciaio? Dobbiamo ancora eseguire i test di continuità, perchè la triste scoperta risale a ieri.


RE: Corrosione sail drive - JARIFE - 05-05-2019

Ha avuto problemi al carica batterie? Problemi alla strumentazione? Anni fa ho avuto un vicino di barca (a motore con due motori) con grossi problemi di corrosione ad un piede poppiero, solo ad . causa era una dispersione elettrica. Io stesso, come già scritto, ho avuto una forte corrosione alla linea d'asse dovuta ad uno strumento difettoso (temperatura motore installato aftermarket)
Le cause possono essere tante, bisogna indagare,usando anche un . non è mica facile)


RE: Corrosione sail drive - Markolone - 05-05-2019

Quello di cui sono certo è che non lascia mai collegata la presa in Imarroncinichegalleggiano.... al di fuori dello stretto necessario per ricaricare le batterie. Per quanto riguarda l'alimentazione a bassa tensione spergiura che scollega sempre tutto prima di lasciare la barca (polo positivo). Non dovrebbe aver avuto comportamenti diversi rispetto a quelli che ha avuto in passato, almeno coscientemente. Una domanda: come ha fatto uno strumento difettoso a fare un danno così grave nella ipotesi di alimentarlo solo quando di utilizza la barca?


RE: Corrosione sail drive - JARIFE - 05-05-2019

L'ho installato e dopo poche decine di ore , andando sott'acqua, mi sono accorto che qualcosa non .. Comincio ad indagare e vedo che c'era una piccola tensione che si scaricava in acqua dalla linea d'asse, l'unica modifica fatta di recente era quella dello strumento, l'ho scollegato e tutto è tornato normale. Sono andato dal rivenditore (incredulo) abbiamo fatto la prova a banco e scoperto/dimostrato che dal filo del sensore/bulbo scaricava circa 9 . motore 26 Sempre diversi anni fa ho visto l'asse di un timone (barca 45') tranciato di netto a causa della corrosione innescata da una dispersione nella strumentazione della . si trasmetteva al timone.


RE: Corrosione sail drive - Markolone - 05-05-2019

Impressionante il fatto che ci si possa fumare un piede o un asse in così poco tempo. Comunque domani inizieremo ad indagare sull'origine delle perdite anche se non sarà facile.


RE: Corrosione sail drive - JARIFE - 05-05-2019

Giusto per non essere frainteso, quando scrivo poche decine di ore , intendo decine di ore d'uso del motore ovviamente , durante la navigazione a vela la corrosione si fermava poiché il quadro strumenti era spento. L'asse era pieno di forellini quasi come una pietra . si sfogliava con le mani.


Corrosione sail drive - traballi carlo - 06-05-2019

Bavaria 30 di 12 anni , sostituzione cuffia 2 anni fa . Elica bipala in alluminio con qualche tacca . Alcune recenti ( non verniciate ) altre pre esistenti (ricoperte di vernice ) . Zinchi giustamente usurati. Un mio amico tecnico praticone dice cavitazione. Voi che dite ? L’ho alata oggi dopo l’acquisto , carena ok , ma l’elica ...Help !!! Non ho esperienza di S Drive.
[hide][Immagine: https://uploads.tapatalk-cdn.com/20190506/b57e0f12847b24fefb77f584d8611ff3.jpg][/hide][hide][Immagine: https://uploads.tapatalk-cdn.com/20190506/73948948b8b6830b26d199a6d560336d.jpg][/hide][hide][Immagine: https://uploads.tapatalk-cdn.com/20190506/00d710c49eaa35fbeff6cf5814068c73.jpg][/hide][hide][Immagine: https://uploads.tapatalk-cdn.com/20190506/5741bdebc56a02adad40e412c85e3af5.jpg][/hide][hide][Immagine: https://uploads.tapatalk-cdn.com/20190506/a5510f8b9ce61c22004e98ce09b57d73.jpg][/hide][hide][Immagine: https://uploads.tapatalk-cdn.com/20190506/fd266fb41f329260338cc0bfe96dc4cb.jpg][/hide]


RE: Corrosione sail drive - megalodon - 06-05-2019

I punti corrosi sono sul corpo centrale dell'elica, non sulle pale, fatti spiegare come fa a cavitare il corpo centrale, sono curioso...


RE: Corrosione sail drive - Markolone - 09-05-2019

Ieri un meccanico ha ipotizzato che questo impulso di corrosione può essere stato originato dalla sostituzione di parti della catenaria con catena zincata nuova. Secondo lui la catena nuova finchè non viene ricoperta da denti di cane e schifezze varie può creare forti correnti galvaniche. Al marina lo scorso anno abbiamo eseguito una manutenzione straordinaria della catenaria, ma non mi risulta che altre barche abbiano subito un incremento di corrosione così evidente. Secondo voi ha un senso?


RE: Corrosione sail drive - JARIFE - 09-05-2019

Nei porti spesso ci sono correnti vaganti però non credo così forti da corrodere il piede ,perlomeno , non avrebbe avuto il problema solo lui…


RE: Corrosione sail drive - riccardo250154 - 10-09-2024

Io da qualche anno ho messo degli On-Off (di adeguata dimensione) non solo sui positivi dei pacchi batterie, ma anche sui negativi. Quando lascio la barca stacco tutto. Ho eliminato anche quei pochissimi ohm che restavano nel circuito. Non so se questo suggerimento può essere utile.


RE: Corrosione sail drive - orteip - 10-09-2024

Tutto puó essere utile ma non basta, qualche anno fà avevo una dispersione a bordo che mo ha corroso lo scambiatore e stava per intaccarmi anche il piedino e nulla c’entravano le batterie. Qualcuno lungo la Imarroncinichegalleggiano.... aveva qualche dispersione nel suo impianto 220V e come giusto che sia, scaricava questa dispersione tramite il suo cavo di terra sulla linea di terra della Imarroncinichegalleggiano.... che è unica per tutti. Nei 3 giorni di tutti i we che sono in barca, collegandomi alla rete elettrica della Imarroncinichegalleggiano...., senza accorgermene, consentivo a quella dispersione di entrare nella mia barca attraverso la mia linea di terra dalla quale, essendo collegata con tutte le altre linee di terra della barca, arrivava alla scocca del boiler; da questa attraverso l’acqua presente e condittiva, alla resistenza interna che scalda l’acqua con il motore e poichè il liquido refrigerante del potore presente nella resistenza è conduttivo, da quest’ultima al motore; dal motore all’invertitore che dovrebbe essere isolato ma i cavi accelleratore/marce fanno da ponte visto che sono isolati da piccoli gommini che dopo un pó cge ruotano nelle sedi si rompono consentendo ai cavi di entrare in comtatto con il motore quindi, raggiunto l’invertitore attravrrso il ponte costituito dal leveraggio, da li la disoersione veniva scaricata in mare con consegurnze distruttive come ho fldetto; per lo scambiatore prima di tutto, per la pompa dell’acqua dove c’è la girante poi, lievemente per un rubinetto di un bagno ed infine, stava attaccando anche il saildrive. Ho impiegato tutti i weekend di un’anno intero per teovare la dispersione, capire da dove arrivava e risolvere definitivamente il problema con: un’isolatore galvanico; con lo scollegamento della linea di terra dalla scocca del boiler (per sicurezza) e con la realizzazione al tornio di tutta una serie di boccole in teflon che hanno sostituito tutti i gommini isolatori (tutti rotti e si vedono solo smontandoli) del leveraggio accelleratore/marce.


RE: Corrosione sail drive - st00042 - 08-07-2025

Riprendo questa discussione perchè la disavventura si è ripresentata, anche se stavolta me ne sono accorto per tempo. Sembra che ogni volta che si mette mano al SD il problema si ripresenta. Fine Marzo cambio membrana del Sail Drive, stavolta con officina ufficiale Volvo Penta. Mi ero preso una settimana di ferie per essere ad Alghero e assistere allo smontaggio e rimontaggio. Purtroppo per ritardo del meccanico che è arrivato solo il venerdì, ho potuto seguire solo lo smontaggio.
In ogni caso gli racconto quello che mi era successo nel 2016 e mi raccomando di cambiare tutte le guarnizioni di isolamento e controllare in modo maniacale l'isolamento elettrico del SD. A Pasqua, la barca torna in acqua. Mi assicurano che il piede è isolato. Mi fido, non faccio ulteriori verifiche, anche perchè per avere una misura sicura devo scollegare il bulbo dal negativo. Fine giugno, uscita domenicale da passare in rada, faccio il bagno e vado a controllare il piede. Trovo lo zinco tutto morso dalla corrosione. A questo punto faccio il controllo dell'isolamento, scollegando il bulbo e svuotando il circuito dell'acqua di mare. C'è continuità. Avverto il meccanico, che ovviamente visto il periodo è pieno di lavoro, ma verrà quanto prima a controllare. Nel frattempo, memore del problema passato, provo ad allentare tutti i bulloni che collegano il SD al motore, quelli con le plastiche di isolamento per intenderci. Quando arrivo all'ultimo in basso a destra guardando il SD da poppa, la continuità si interrompe. Provo e riprovo. A volte la continuità non è immediata, passano anche alcuni minuti prima che si riverifichi.
[hide]     [/hide]
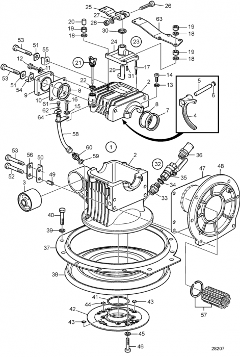
La mia ipotesi è che tra i due elementi, SD e motore, ci sia un'asperità o un detrito metallico, anche di pochi decimi di millimetro, che con i bulloni serrati e un po' di vibrazioni del motore riesce a passare la guarnizione isolante, quella grossa quadrata tra SD e motore. (elemento n. 47, il dato incriminato invece è il n. 52)
[hide]     [/hide]
Dopo qualche giorno arriva finalmente il meccanico, gli spiego cosa ho scoperto allentando i bulloni e la mia ipotesi. Dice che non è possibile, che aveva controllato tutto. Prova e riprova a serrare e allentare il bullone, verificando però che la continuità c'è. Prova a mettere ulteriori guarnizioni che aveva con se dietro il bullone (n. 50 nello schema), sembra aver risolto, ma come detto prima spesso la misurazione non è immediata. Mi dice che se si ripresenta il problema dovrà intervenire in modo più drastico (leggi separare il motore dal SD e verificare cosa c'è tra i due). Il giorno dopo faccio un controllo e c'è di nuovo continuità. Penso allora di provare a inserire una delle guarnizioni aggiunte dal meccanico, invece che dietro i bulloni, proprio tra SD e motore. I fori d'altronde combaciano e se allentando tutti i bulloni riesco ad avere quel decimo di millimetro di spazio dovrei riuscire nell'impresa. Allento quindi tutti i bulloni, rifilo il foro più basso della guarnizione perchè ci deve passare anche la boccola di plastica e riesco a infilare la guarnizione tra motore e SD facendo combaciare i fori. Serro tutto a 40Nm come da manuale.
[hide]     [/hide]
Ora sono 4 giorni che non rilevo più continuità. Provvederò a cambiare lo zinco per verificare che non ci sia più il consumo anomalo, gli anni passati lo cambiavo che era pressochè nuovo. Tra l'altro non ho detto che nel 2016, l'altro meccanico, quando ha risistemato il piede corroso, aveva messo le nuove guarnizioni lasciando le vecchie, quindi erano praticamente doppie sia dietro i bulloni che tra SD e motore. Quindi quel minimo spessore in più sembra risolutivo. Al prossimo cambio di membrana voglio proprio verificare di persona l'accoppiamento dei pezzi. Insomma, controllare controllare e controllare. Non fidarsi solo dei controlli dei meccanici, se li fanno.


RE: Corrosione sail drive - Markolone - 08-07-2025

Resta ancora un mistero per me che Yanmar non isola i piedi eppure non presenta questi livelli mostruosi di corrosione fulminante. Tecnicamente non me lo spiego.


RE: Corrosione sail drive - Wally - 08-07-2025

Magari usano un altra lega,


RE: Corrosione sail drive - windex - 09-07-2025

Scusate ma non capisco: i saildrive Yanmar NON hanno il tema dell'isolamento dal motore?


RE: Corrosione sail drive - Markolone - 15-07-2025

Non isolano nulla, tutto collegato. C'è uno zinco interno al piede dove circola l'acqua di raffreddamento, ma vedo che si consuma poco.


RE: Corrosione sail drive - st00042 - 29-07-2025

Oggi ho cambiato l'anodo del saildrive, sia per sicurezza, ma soprattutto per capire se la corrosione si ripresenta. Questo è lo stato dell'anodo dopo 4 mesi
   
Oltre l'evidente consumo, è notevole la differenza di peso con il nuovo Così invece si presentava negli anni precedenti dopo un anno in acqua

.png   image.png (Dimensione: 332,14 KB / Download: 67)


RE: Corrosione sail drive - maema - 29-07-2025

Nei casi di corrosione veloce VP è probabile che ci sia una dispersione, cioè che attraverso un conduttore della Dc, accidentalmente si vada ad alimentare il piede con una corrente positiva (è successo più volte ed in pochi mesi sparisce il piede), nel caso invece di corrosione galvanica dovuta alla diffrenza di potenziale fra i metalli immersi, gli anodi sacrificali dovrebbero proteggere, ma va fatta attenzione ad esempio che il bulbo (chiglia) non sia a massa come il motore, questa connessione spesso avviene involontariamente attraverso il cavo del VHF che ha la calza (negativo fisso) franca sull'albero (staffa in contatto franco con il connettore PL), e l'albero spesso ha un conduttore che lo collega ad uno dei prigionieri del bulbo "scarico . che in questo modo si realizza una bella pila fra bulbo e piedino. Altro caso frequente di perdita di isolamento fra sail-drive e motore VP sono i cavi di comando dell'invertitore che in origine sono isolati, poi nelle sostituzioni perdono questa attenzione (!) e attraverso il cavo del gas sulla pompa di iniezione, a massa anche lui sulla scatola del monoleva, si crea un ponte fra motore e sail-drive. La Yanmar non isola il suo Sail Drive ma usa degli anodi di alluminio/magnesio (anche se c'è scritto AL, alla prova con la mezzacella di Cl/Ag danno oltre 1,45 .). I sail drive sono poi ben verniciati e quindi isolati dal contatto con acqua di mare ma se la vernice inizia a saltare la corrente galvanica . gli anodi durano sempre meno. Recentemente mi è capitato anche di vedere barche nuove (grandi) che hanno usato il motore Yanmar con Sail-Drive, come dispersore di terra per il 230Vac (la stessa UNI 13297 lo raccomanda) ecco, in quel caso gli anodi durano qlc mese... ed il separatore galvanico a diodi risulta inutile perchè il potenziale impresso da Imarroncinichegalleggiano.... supera abbastanza spesso gli 1,4 volt di barriera introdotti dai diodi.


RE: Corrosione sail drive - st00042 - 29-07-2025

Com descritto nei messaggi precedenti, serrando i bulloni che tengono il piede con il motore (quelli con le guarnizioni di plastica isolante per intenderci), il SD andava in continuità elettrica con il motore. Secondo me ci deve essere una asperità o un detrito (anche di qualche decimo di millimetro) che serrando i bulloni riesce a passare il piattello isolante, quello quadrato tra piede e motore. Aggiungendo una ulteriore guarnizione tra piede e motore questo non si verifica. Però Maema mi confermi che il collegamento a massa tra motore e bulbo non ci deve essere, mentre sulla mia barca c'è da cantiere un bel cavo nero che va dai prigionieri alla raccolta dei negativi sul motore. Questo, come già avevo ipotizzato nel 2016 quando si era verificato la prima volta il problema, accelera sicuramente la corrosione in caso di mancato isolamento SD/motore, anche perchè la massa del bulbo (tutto piombo) è molto maggiore di quella del SD
[hide][Immagine: https://forum.amicidellavela.it/attachment.php?thumbnail=24838][/hide]
Con il multimetro e la barca in secco tra piede e bulbo non c'è continuità elettrica, in acqua invece ho zero Ohm