I Forum di Amici della Vela
Impianto Elettrico 27 piedi - Versione stampabile

+- I Forum di Amici della Vela (https://forum.amicidellavela.it)
+-- Forum: TECNICA E MANUTENZIONE (https://forum.amicidellavela.it/forumdisplay.php?fid=12)
+--- Forum: Elettricita' ed Elettronica (https://forum.amicidellavela.it/forumdisplay.php?fid=15)
+--- Discussione: Impianto Elettrico 27 piedi (/showthread.php?tid=146467)

Pagine: 1 2 3 4


RE: Impianto Elettrico 27 piedi - mlipizer - 20-11-2023

Non ho letto tutto, ma ho guardato solo lo schema. A cosa serve l'1-2-both. a caricare una batteria o l'altra? Non si capisce come vai alle utenze.
Voglio dire. Io metterei di norma le batterie in carica diretta dall'alternatore con un ripartitore di carica, così non rischi di dimenticarti di girare la chiavetta e l'altenratore lavoro scarico rischiando surriscaldamenti. Gli staccabatterie si mettono a valle della batterie, non a monte.
Inoltre ha messo un collegamento diretto fra il + della batteria motore con quella servizi, a qual punto hai già perso tutta la divisione del circuito. Non essite più una batteria motore e una servizi, ma un unico circuito con capacità 200Ah.
Corretto questo, cominciamo a ragionare.

Per il pannello solare stessa cosa dell'alternatore, lo colleghi direttamente alla batteria servizi così ha sempre un carico attaccato. Se mantieni una pompa di sentina automatica sempre collegata, attaccala alla batteria servizi, ma metti comunque un interruttore nel caso debba staccarla.

Per il salpancora, se vuoi puoi collegarla alla batteria servizi con un interuttore di carico.


RE: Impianto Elettrico 27 piedi - germig - 20-11-2023

Grazie mlipizer per le tue osservazioni, in parte in linea con i miei dubbi. Quella riportata è l'attuale configurazione su cui sto provando a mettere mano per sistemarla con un certo criterio. Provo a pomeriggio a riallegare uno schema con le vostre indicazioni.
Grazie di cuore


RE: Impianto Elettrico 27 piedi - germig - 20-11-2023

Così va meglio? Se si, mi dedico poi al discorso staccabatterie...
Grazie a tutti


RE: Impianto Elettrico 27 piedi - mlipizer - 20-11-2023

Ok. Allora, ci sono alcune cose che non vanno bene.
Non hai riportato l'uscita dall'alternatore come finisce nelle batterie. Il motore ha due collegamenti, in entrata nel motorino di avviamento per accenderlo ed in uscita dall'alternatore per caricare le batterie.
Non hai messo uno staccabatteria tra la batteria servizi e le utenze.
Non ho capito cosa serve l'interruttore 1-2-both. segui questa discussione:
https://forum.amicidellavela.it/showthread.php?tid=85240&page=2


RE: Impianto Elettrico 27 piedi - cmv88 - 20-11-2023

Non voglio tarparti le ali, però ci sono alcune lacune di base. Anche se con il nostro aiuto si arrivasse a uno schema "corretto" mi preoccupa un po' il passo successivo della realizzazione.
Non basta collegare un filo dopo l'altro da A a B, ma bisogna eseguire queste giunzioni con materiali e tecniche corrette ed affidabile nel tempo.

La bassa tensione viene spesso sottovalutata, ma quando ci sono in gioco correnti di una certa importanza e il tutto è riposto in una "scatola" da diverse migliaia di euro in un ambiente ostile i lavori vanno fatti con una certa conoscenza della materia.

Tieni presente che alcune scelte che vanno prese per realizzare lo schema sono frutto di scelte a volte personali e non univoche.

Fatta questa premessa
Oltre agli errori già segnalati da altri , vi è anche quello del differenziale messo su una linea a 12 V.

Prova ad aggiornare lo schema, poi continueremo a farti le pulci.


RE: Impianto Elettrico 27 piedi - germig - 21-11-2023

CMV88 hai perfettamente ragione. Lungi da me pensare di potermi sostituire ai professionisti del settore. Tutto parte però dal fatto che proprio rivolgendomi ad alcuni di loro, le risposte che ho ricevuto non mi hanno soddisfatto.
Che cavi utilizzerai? - Quelli rivestiti di plastica!
Oppure: A fine lavoro mi rilascerai lo schema aggiornato dell'impianto? - E chi lo ha mai fatto, nessuno me lo ha mai chiesto!!!

Per non parlare degli importi: dai 2500€ ai 3500€, componenti e materiale a parte. Non so se sono cifre congrue e non è mia abitutidine sindacare perchè ognuno fa il suo mestiere. So però che al momento non me lo posso permettere e quindi continuerò a chiedere; in ogni caso, se riesco, vorrei riuscire a confrontarmi che questi signori con maggiore cognizione di causa e non accettare passivamente ogni loro indicazione.

E' la mia storia "nautica" ed il mio carattere. Se posso, imparo o almeno cerco. Impiego molto più tempo ma alla fine ho acquisito qualche nozione in più.
Questa è la mia prima barca a vela ed ho scoperto un mondo di conoscenze da acquisire. Ho iniziato dal motore: ho studiato ed ho imparato come fare la manutenzione di base da solo. Nulla di eccezionale ma almeno so dove si trova la girante, come controllare la cinghia, filtri vari, ecc...
Adesso sono passato all'impianto elettrico, sicuro del fatto che se non tocco nulla continuerà a funzionare come ha fatto sinora!
Ci impiegherò del tempo, forse molto, ma se non faccio così non saprò mai dove mettere le mani in caso di necessità e, voi mi insegnate, è la prima cosa da sapere per chi va in mare. La prima parte sul quadro elettrico e sui cavi delle utenze penso sia completata. Per questo mi ero spostato sul circuito batterie - motore - FV.

Capisco che per chi è competente può sembrare presuntuoso o azzardato, soprattutto se si parla di sicurezza. Quindi non posso che ringraziarvi anticipatamente per ogni buon consiglio vorrete darmi e per la pazienza con cui leggerete i miei post. Da parte mia ci sarà sicuramente uno studio molto più approfondito della materia proprio per cercare di colmare almeno in parte le lacune che ho.

Proprio ieri ho preso il libro di Zerbinati sui lavori a bordo e l'impianto elettrico. Ho rivisto i webinar di LARS (myboatelectronics). Ogni altro suggerimento è ben accetto.
Una serena giornata di cuore.


RE: Impianto Elettrico 27 piedi - cmv88 - 21-11-2023

Ciao,

Ti capisco pienamente, volevo solo essere sicuro che sapessi a cosa vai incontro.

Anch'io faccio un sacco di lavori da me, non perché voglio risparmiare ma perché è difficile trovare artigiani che mi soddisfino ( sono un cliente difficile). Alla fine mi ritrovo con un parco macchinari e utensili da fare invidia a una piccola / media azienda. Solo per farti un esempio la primavera scorsa ho deciso di installare un impianto di climatizzazione a casa dei miei genitori, le varie ditte di carotaggi o non avevano tempo oppure non mi garantivano una data di fine lavori utile a coordinarmi con l'installatore per avere l'impianto pronto per l'estate . Mi son girate le scatole e alla fine ho acquistato una carotatrice professionale , ho fatto tutti i carotaggi ( muri in pietra da 60 cm) e ho potuto rispettare la tabella di marcia prefissata. Il tutto mi è costato nettamente di più e ora ho un altro macchinario in magazzino, però alla luce della torrida estate 2023 ne è valsa la pena.

Tornando al tuo impianto come detto aggiorna lo schema, poi arriveranno certamente ulteriori input da parte mia e da parte di altri utenti.

Per quello che riguarda i cavi l'ideale sarebbe usare cavi stagnati per utilizzo in ambiente salmastro costano nettamente di più rispetto ai normali cavi in rame ma probabilmente seppelliranno sia te che la barca.


RE: Impianto Elettrico 27 piedi - giorgio8596 - 24-11-2023

(20-11-2023, 14:42)germig Ha scritto: Così va meglio? Se si, mi dedico poi al discorso staccabatterie...
Grazie a tutti

Ciao Germig, vedo con piacere che vai avanti con i lavori. Fin qui tutto bene, adesso dovrai fare alcune scelte, che magari non tutti condividono. Andiamo con ordine
1) gli staccabatteria e' bene siano montati piu' vicino possibile alla batteria, affinche' rimangano meno parti possibili sotto tensione quando aperti. Starebbero bene subito a valle di ciascuna batteria.
2) Lo 1-0-2-both e' il peggio del peggio che abbiano inventato, se lo hai gia' comprato, peccato, buttalo via e acquista un piu' semplice 1-0-2. Cosi' come lo hai disegnato, ti consente di scegliere con quale batteria avviare e, se necessario, di intervenire rapidissimo per scambiare batteria per l'avviamento. Le batterie (tutte e due) non servono per l'inverter per l'induzione o per caricare i telefonini ma per poter avviare immediatamente il motore in caso di emergenza. Cosi' come lo hai indicato e' perfetto.
3) Per lo stesso motivo (rapidita' di intervento) io metto sempre un secondo 1-0-2 anche per i servizi, valuta tu se hai posto e voglia.
4) Non e' corretto portare utenze diverse direttamente al polo batteria, so che e' un'abitudine generalizzata, ma non va bene. Al polo batteria e' bene arrivi un solo cavo, poi c'e' lo staccabatteria e poi le diramazioni, meglio se da busbar.
5) Avendo tu saggiamente una batteria motore da 100A, puoi portarci anche il salpancore. Salpa e motore sono ambedue grossi carichi induttivi che causano sbalzi di tensione importanti, inoltre non sono mai contemporanei (generalmente per numero di dita insufficiente a pigiare contemporaneamente piu' bottoni) possono stare benissimo insieme, ambedue sollecitano la batteria con correnti importanti ma brevissime (avviamento) o relativamente brevi (salpa) ma l'alternatore la ripristina molto rapidamente, nel tempo l'elettronica ti ringraziera' dell'attenzione prestata a non fargli arrivare sbalzi eccessivi.
6) la pompa sentina alimentata direttamente secondo me e' una pia illusione. Se entra acqua e tu non sei a bordo, prima o dopo la barca andra' sotto, pompetta o non pompetta, eventualmente anche dopo aver scaricato la batteria. Semplicemente non devono esistere possibili vie d'acqua, quindi impianti ben fatti, materiali solidi, sempre bronzo e non porcherie, tubi armati e doppie fascette inox e vedrai che la pompa di sentina ti servira' solo per lavare la sentina.
7) Il solare. Penso tutto il male possibile del lasciare il solare collegato in assenza di sorveglianza, soprattutto se hai un controller cinese da 20 euro a gestirlo. Io preferisco magari cambiare le batterie piu' spesso, ma niente diavolerie attaccate quando non sono a bordo. Quindi linea del regolatore direttamente al busbar della batteria servizi. Se i pannelli sono montati fissi, prevedi un interruttore o un portafusibili sezionabile sulla linea tra pannelli e regolatore per poter sezionare la linea pannelli prima di staccare la batteria.
8) I fusibili principali immediatamente a valle dei busbar. Dovresti pensare a proteggere le varie sezioni di impianto con dei fusibili "principali" che coprono grosse utenze o gruppi di utenze. Come il salpa per il quale hai giustamente indicato un fusibile da 100A, puoi prevedere un fusibile generale la linea al quadro servizi, un fusibile sulla linea in arrivo dal C/B, un fusibile sulla linea dall'alternatore, ecc. ecc. Questa e' una prescrizione normativa intelligente (norma americana) e serve a proteggere dalle correnti di corto circuito elevate che possono investire i circuiti principali, date le dimensioni importanti dei cavi in queste parti dell'impianto. Poche barche ne sono dotate. In questo caso puoi pensare a fusibili di tipo Mega con portafusibili modulari. Io preferisco non mettere un fusibile unico in uscita dalla batteria per una questione di selettivita' di guasto e quindi sicurezza generale, cosi' facendo in pratica accetto che la corrente di corto circuito mi arrivi fino a questi fusibili principali, quindi sezioni adeguate fin qui.
9) I cavi. E' vero, negli impianti di bordo di blasonatissimi cantieri puoi trovare mille e piu' cazzate, ma poi fanno i virtuosi con i cavi ultraflessibili e stagnati. Non posso dirti che servono solo a munger soldi, a risparmiare ancor di piu' sulle sezioni, che da cinquant'anni normalissimi cavi N07VK ben dimensionati vanno benissimo ecc. ecc. ma in pratica e' cosi'. Se hai soldi da spendere ....
10) Fin qui abbiamo visto la parte utenze (scarica), adesso dovrai anche pensare alla parte ricarica, in particolare da alternatore. Per caricare le due batterie separatamente puoi adottare diverse soluzioni. Qui non ho indicazioni esatte da darti perche' io ho due alternatori, quindi il problema da me non si pone, di conseguenza non conosco i dettagli delle apparecchiature utilizzabili, ma in merito ci sono ottimi thread del buon Aquila che descrivono a fondo i vari prodotti.
11) Alcuni ADV ti fanno correttamente notare la posizione errata del differenziale del C/B e la necessita' di operare con competenza nella realizzazione pratica dell'impianto. Dovrai disporre di un'attrezzatura minima, ma adeguata e documentarti sulle buone regole esecutive. Gia' qui nel forum puoi trovare ottime dritte di persone competenti e discussioni a volonta' su ogni particolare dell'impianto che andrai a realizzare.


RE: Impianto Elettrico 27 piedi - germig - 25-11-2023

(24-11-2023, 19:31)giorgio8596 Ha scritto: .....

Ciao Giorgio, mi sono quasi commosso nel leggere il tuo messaggio perchè mi fa capire quanto utile sia l'appartenere ad una comunità che mette in comune il proprio sapere e le proprie esperienze solo per il piacere della condivisione e del reciproco arricchimento.
Grazie di cuore, così come non posso non ringraziare CMV e MLIPIZER.

In questi giorni ho studiato e rielaborato lo schema "lato servizi". Leggo con attenzione i tuoi suggerimenti ma nel frattempo ve lo condivido.

Grazie a tutti


RE: Impianto Elettrico 27 piedi - giorgio8596 - 27-11-2023

Mi sento di aggiungere solo un'altra cosa. Fai molta attenzione a dove e' collegato il tuo B+ dell'alternatore (cavo grosso di ricarica che esce dall'alternatore), qualche schema sciagurato (tra cui il Volvo Penta) lo indica collegato direttamente al morsetto del motorino di avviamento. Questa soluzione (che Andrea B72 aveva definito a ragione l'angolo cucina-cesso di Fantozzi) non e' compatibile con lo schema con commutatore 1-0-2 che ti ho indicato perche' in quel caso, se commuti con motore in moto, bruci l'alternatore. Il cavo B+ dell'alternatore deve andare ad un dispositivo per la ricarica in parallelo delle batterie e mai al motorino di avviamento.
ciao


RE: Impianto Elettrico 27 piedi - alessandro alberto - 27-11-2023

In tempi remoti l'impianto lo realizzai così, fino ad ora pare che continui a funzionare: ci sono difetti? sarebbe migliorabile in qualche misura?[hide][attachment=54302][/hide]


RE: Impianto Elettrico 27 piedi - cmv88 - 28-11-2023

Come i tendi ricaricare la batteria servizi e la batteria motore? Sia in Imarroncinichegalleggiano.... che in navigazione?


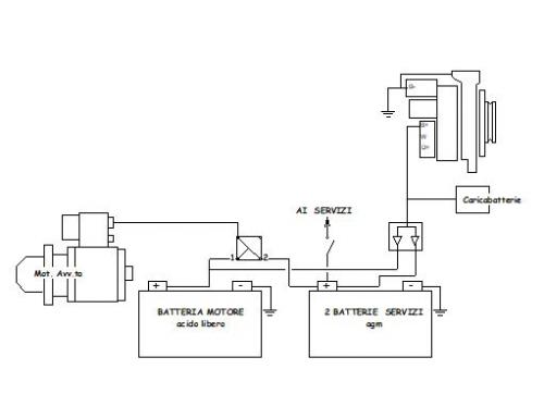
RE: Impianto Elettrico 27 piedi - germig - 01-12-2023

Ciao a tutti,
vi allego il circuito primario in cui ho inserito rispetto all'attuale configurazione (staccabatteria + (1-0-2-Both)) un parallelatore Cyrix.

Se non ho commesso castronerie, il passo successivo sarà "collegare" circuito primario e circuito distribuzione e andare a dettagliare sezioni cavi, tipologie di collegamenti, fusibili, ecc... Inoltre pensare a dove posizionare il tutto. Lo spazio batterie nell'ALOA 27 è molto limitato e in più, come si vede dalle prime immagini postate, ci passa anche il tubo dell'acqua con un raccordo che non mi piace . si affronta in seguito.

CVM88: la batteria servizi può essere caricata dalla 220V in Imarroncinichegalleggiano...., dai pannelli FV e dall'alternatore a motore acceso. La batteria motore a seguire attraverso il parallelatore. Corretto?

Saluti


RE: Impianto Elettrico 27 piedi - alessandro alberto - 02-12-2023

In tempi remoti l'impianto lo realizzai così, fino ad ora pare che continui a funzionare: ci sono difetti? sarebbe migliorabile in qualche misura? ecco il grafico

[hide]     [/hide]


RE: Impianto Elettrico 27 piedi - germig - 05-12-2023

Ciao Alberto, lascio eventualmente ad altri commenti sul tuo schema.
Nel frattempo ho unito primario e distribuzione, rileggendo un po' i commenti sul forum e optando per un DC-DC 12-12-18.

In questo modo, tutta la ricarica (alternatore, solare e 220V) è sulla batteria servizi e con il Dc-Dc dovrei poi spostarmi sulla BM.

Spero sempre di non aver commesso grosse fesserie.

Mancano sicuramente dei fusibili, il dimensionamento di tutti i cavi, le barre di distribuzione, il discorso massa, ecc... Ma un passo per volta.

Grazie in anticipo a chi vorrà darmi qualche consiglio con pazienza e dedizione.


RE: Impianto Elettrico 27 piedi - germig - 10-12-2023

(28-11-2023, 00:12)cmv88 Ha scritto: Come i tendi ricaricare la batteria servizi e la batteria motore? Sia in Imarroncinichegalleggiano.... che in navigazione?

In Imarroncinichegalleggiano.... ho la 220V, il pannello solare sia in Imarroncinichegalleggiano.... sia in navigazione, l'alternatore: i tre sistemi vanno a ricaricare la BS e poi con un DCDC passo alla BM.
Corretto?
Grazie

(27-11-2023, 18:13)giorgio8596 Ha scritto: Mi sento di aggiungere solo un'altra cosa. Fai molta attenzione a dove e' collegato il tuo B+ dell'alternatore (cavo grosso di ricarica che esce dall'alternatore), qualche schema sciagurato (tra cui il Volvo Penta) lo indica collegato direttamente al morsetto del motorino di avviamento. Questa soluzione (che Andrea B72 aveva definito a ragione l'angolo cucina-cesso di Fantozzi) non e' compatibile con lo schema con commutatore 1-0-2 che ti ho indicato perche' in quel caso, se commuti con motore in moto, bruci l'alternatore. Il cavo B+ dell'alternatore deve andare ad un dispositivo per la ricarica in parallelo delle batterie e mai al motorino di avviamento.
ciao

Si Giorgio, farò attenzione. Ho letto i diversi post sul discorso e spero di aver ben interpretato.
Grazie


RE: Impianto Elettrico 27 piedi - cmv88 - 10-12-2023

Lo schema sta evolvendo bene. Però Io sono dell' idea che su ogni impianto si debba sempre poter scollegare la sorgente da TUTTE le utenze in modo immediato.Tale interruzione dovrebbe avvenire il più vicino possibile alle batterie. Nel tuo schema attualmente questa condizione non è soddisfatta.
Inoltre non mi piace che per togliere tensione al salpa ancora tu intenda lavorare con il circuit braker.

Quindi o aggiungi qualche staccabatteria in più o rivedi il tuo concetto.

La pompa di sentina non ti salverà la barca in caso di via d'acqua, dubito dunque sulla reale efficacia di tenerla attaccata anche quando sei assente.[/b]


RE: Impianto Elettrico 27 piedi - germig - 12-12-2023

(10-12-2023, 22:31)cmv88 Ha scritto: Lo schema sta evolvendo bene. Però Io sono dell' idea che su ogni impianto si debba sempre poter scollegare la sorgente da TUTTE le utenze in modo immediato.Tale interruzione dovrebbe avvenire il più vicino possibile alle batterie. Nel tuo schema attualmente questa condizione non è soddisfatta.
Inoltre non mi piace che per togliere tensione al salpa ancora tu intenda lavorare con il circuit braker.

Quindi o aggiungi qualche staccabatteria in più o rivedi il tuo concetto.

La pompa di sentina non ti salverà la barca in caso di via d'acqua, dubito dunque sulla reale efficacia di tenerla attaccata anche quando sei assente.[/b]

Grazie CMV88 per avermi risposto innanzitutto.
Il circuit breaker è indicato direttamente dalla Lofrans e quindi pensavo di attenermi a quelle indicazioni. Perchè non ti convince?

Per la pompa di sentina concordo che difficilmente riuscirebbe a salvare la barca ma la modalità "Accesa in automatico" è richiesta dal contratto di ormeggio nel marina in cui mi trovo (ma l'ho visto riportato anche in altri). Immagino che l'espulsione di acqua possa servire come campanello di allarme per chi è preposto al controllo. IMHO.

Potrei quindi inserire un 4° staccabatterie collegando il positivo di salpancora e pannello solare, in modo da disinserirli completamente quando assente. In barca li attivo. Corretto?

Oppure potrei spostare lo staccabatterie-servizi collegandolo direttamente al polo positivo della batteria, prima della piastra di distribuzione. Nella modalità off avrei disinserito in questo modo tutto.

Grazie ancora


RE: Impianto Elettrico 27 piedi - cmv88 - 12-12-2023

(12-12-2023, 14:57)germig Ha scritto: ....

Oppure potrei spostare lo staccabatterie-servizi collegandolo direttamente al polo positivo della batteria, prima della piastra di distribuzione. Nella modalità off avrei disinserito in questo modo tutto.

Grazie ancora
Questa sarebbe la soluzione che adotterei anch'io, chiaramente adattando lo schema di conseguenza.


RE: Impianto Elettrico 27 piedi - germig - 14-12-2023

(12-12-2023, 21:08)cmv88 Ha scritto: Questa sarebbe la soluzione che adotterei anch'io, chiaramente adattando lo schema di conseguenza.

Modificato.
Che ne pensi?
Grazie