I Forum di Amici della Vela
Resettare mmsi vhf - Versione stampabile

+- I Forum di Amici della Vela (https://forum.amicidellavela.it)
+-- Forum: TECNICA E MANUTENZIONE (/forumdisplay.php?fid=12)
+--- Forum: Elettricita' ed Elettronica (/forumdisplay.php?fid=15)
+--- Discussione: Resettare mmsi vhf (/showthread.php?tid=130995)

Pagine: 1 2


Resettare mmsi vhf - Danilo85 - 11-05-2018 18:57

Ciao signori dopo aver ricevuto il nuovo codice MMSI vorrei impostarlo sul vhf di bordo solamente non ho la più pallida idee a di come si possa fare...
Probabilmente c'era impostato il vecchio del vecchio proprietario...

Dove posso iniziare per sbrogliare la matassa?!?!91


Resettare mmsi vhf - Nimbo - 11-05-2018 19:02

Se e' possibile farlo da soli ci dovrebbe essere sul manuale, ma di solito si deve mandare in un centro assistenza


RE: Resettare mmsi vhf - jetsep - 11-05-2018 19:20

http://www.icom.co.jp/world/support/download/manual/pdf/IC-M421.pdf

pag.14
Se è stato già impostato un MMSI non lo puoi cambiare. Lo puoi verificare però.


RE: Resettare mmsi vhf - kermit - 11-05-2018 20:00

Su alcuni apparati lo si può cambiare (ad esempio sul Raymarine ray 240) senza mandarlo all'assistenza, ma bisogna fare una piccola modifica all'apparato


RE: Resettare mmsi vhf - Luciano53 - 11-05-2018 20:01

Qui serve il "mago" Iansolo


RE: Resettare mmsi vhf - IanSolo - 11-05-2018 22:22

Luciano53, questa volta c'e' poco da "magare" ! I VHF Icom possono essere resettati solo via software, ci vuole un cavo di collegamento PC-VHF e un programma che, ovviamente, non e' rilasciato al pubblico.
Unica possibilita' e' un servizio tecnico Icom e un po' di Euro....


RE: Resettare mmsi vhf - Frangi - 11-05-2018 23:24

Se il vhf ha gia memorizzato un MMSI, lo vedi nella prima schermata all'accensione.
Questo con Standard Horizon Yaesu.
Controlla il manuale.
B.v.
Gianni


RE: Resettare mmsi vhf - Edolo - 11-05-2018 23:31

(11-05-2018 22:22)IanSolo Ha scritto:  Luciano53, questa volta c'e' poco da "magare" ! I VHF Icom possono essere resettati solo via software, ci vuole un cavo di collegamento PC-VHF e un programma che, ovviamente, non e' rilasciato al pubblico.
Unica possibilita' e' un servizio tecnico Icom e un po' di Euro....

Non ne ero certo ma immaginavo fosse così. Salvataggio su EEprom non è come salvataggio su ROM con batteria tampone.


RE: Resettare mmsi vhf - IanSolo - 12-05-2018 10:08

Frangi, e' cosi' anche negli Icom, se non e' mai stato inserito un codice questo viene richiesto all'accensione.
Poiche' Danilo85 parla di non sapere come inserirlo deduco che non venga richiesto e quindi qualcuno abbia gia' caricato un suo MMSI che, ovviamente, non e' piu' valido e deve essere cambiato poiche' dice di avere ricevuto un nuovo codice, questo e' il caso che richiede il reset.


RE: Resettare mmsi vhf - Nick - 13-05-2018 01:32

@kermit
Non conosco la piccola modifica per il 240... Potresti condividerla qui o mandamela con un MP?
Grazie!


RE: Resettare mmsi vhf - kermit - 13-05-2018 08:36

Appena arrivò a casa posto lo schema che ho nel Pc


RE: Resettare mmsi vhf - pepe1395 - 14-05-2018 12:57

Sarei interessato anche io. Grazie molte.


RE: Resettare mmsi vhf - sunfizz - 14-05-2018 14:23

Se vuoi ho sia il cavo che il software per Icom IC-M421.
Se mi fai avere la radio o passi per Roma nessun problema per il reset.


RE: Resettare mmsi vhf - kermit - 14-05-2018 14:28

(13-05-2018 01:32)Nick Ha scritto:  @kermit
Non conosco la piccola modifica per il 240... Potresti condividerla qui o mandamela con un MP?
Grazie!
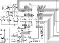
Questo è lo schema della PCB della cornetta del ray 240 se vedi con attenzione al centro, c'è un circuitino con 4 resistenze, due di queste (R68 e R69) permettono di trasformare una normale cornetta in "Golden handset" ossia cornetta che usano i dealer per modificare alcune impostazioni della radio, tra cui il cambio mmsi.
Dopo la modifica la cornetta permette di accedere ad alcune voci delle impostazioni tra cui il cambio dell'MMSI
[hide][attachment=32950][/hide]


RE: Resettare mmsi vhf - IanSolo - 14-05-2018 15:50

Kermit,
non gli hai pero' detto che le due resistenze devono essere da 10KOhm a montaggio di superficie (non tutti sanno come montarle e dove acquistarle) e che per accedere al menu' nascosto bisogna (se non ricordo male) accendere l'apparato con il tasto "16" premuto dopodiche' si opera la sequenza:

1) menu - CH^V - si accede alle "Dealer Options"
2) menu - CH^V - si accede alle "DSC Options"
3) menu - CH^V - si accede al "Reset MMSI Number"
4) menu - si inserisce il nuovo MMSI da tastiera
5) si esce dal menu

Attenzione a non eseguire altre impostazioni.


RE: Resettare mmsi vhf - Hook - 14-05-2018 16:15

(14-05-2018 14:23)sunfizz Ha scritto:  Se vuoi ho sia il cavo che il software per Icom IC-M421.
Se mi fai avere la radio o passi per Roma nessun problema per il reset.

anche io offro stessa disponibilità ! 79
Ho dovuto cambiarlo quando sono passato al Belgio ...


RE: Resettare mmsi vhf - kermit - 14-05-2018 18:30

(14-05-2018 15:50)IanSolo Ha scritto:  Kermit,
non gli hai pero' detto che le due resistenze devono essere da 10KOhm a montaggio di superficie (non tutti sanno come montarle e dove acquistarle) e che per accedere al menu' nascosto bisogna (se non ricordo male) accendere l'apparato con il tasto "16" premuto dopodiche' si opera la sequenza:

1) menu - CH^V - si accede alle "Dealer Options"
2) menu - CH^V - si accede alle "DSC Options"
3) menu - CH^V - si accede al "Reset MMSI Number"
4) menu - si inserisce il nuovo MMSI da tastiera
5) si esce dal menu

Attenzione a non eseguire altre impostazioni.
Grazie Iansolo per avere integrato queste istruzioni, io comunque non sarei stato capace di fare questa modifica elettronica ma vedevo dallo schema che si può fare, fortunatamente di questo bel VHF ho due apparati di cui uno di rispetto che tengo a casa, quello di rispetto è senza MMSI quindi sono protetto...


RE: Resettare mmsi vhf - Nick - 14-05-2018 19:47

Grazie Kermit e Iansolo!


RE: Resettare mmsi vhf - Edolo - 14-05-2018 20:09

Fammi capire Ian. Mi pare che siano attestate a due ingressi analogici, quindi presumo che il programmino caricato sul Micro se trova le condizioni "resistenza a tal valore (tot tensione al piedino)" + tasto ch16 in fase di boot entri in una routine "dealer" per consentire la modifica?
Ciao


RE: Resettare mmsi vhf - IanSolo - 14-05-2018 20:23

Edolo, si con la differenza su cio' che hai detto che non compare un nuovo menu' ma una voce in piu' di accesso al menu' "Dealer".