Rispondi 
Fusibile relé avviamento Vetus c2.M5 12cv
Autore Messaggio
batu Offline
Amico del forum

Messaggi: 73
Registrato: Nov 2010 Online
Messaggio: #1
Fusibile relé avviamento Vetus c2.M5 12cv
Ciao a tutti,
ho un problema da un anno sul motore Vetus m2.C5 della mia barchetta a vela.
Ho passato l'estate scorsa a cambiare il fusibile di protezione del relé che comanda l'accensione del motore ad ogni accensione. Accendevo motore partiva ma poi trovavo il fusibile bruciato.
Dopo un estate in allert motore sono riuscito a far venire il meccanico.
Cambiato il relé in questione, il porta fusibile, le batterie perché a fine vita e i cavi di alimentazione su batterie, alternatore e caricabatterie perché troppo giusti per 2 batterie da 100a, ho cambiato il caricabatteria perché il vecchio non girava, revisionato e marinizzato l'alternatore per avere il massimo dell'affidabilità.
Bene, risultato: ogni tot accensioni si brucia il fusibile! L'impressione però è che lo brucia a motore spento! Perché faccio 1000 prove e mille accensioni e và, poi il giorno dopo giro la chiave e al posto di iniziare a sentire il bip del quadro trovo tutto morto e fusibile bruciato. Non me lo brucia piú a seguito dell'accensione ma lo trovo bruciato il giorno dopo.
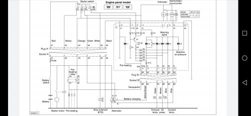
Allego lo schema elettrico nel caso ci fosse qualcuno che sà interpretarlo, il fusibile in questione è a sinistra/in alto nello schema elettrico.
Non sò piú che fare, il meccanico ora ha provato a scollegare il ripartitore di carica per vedere se continua a bruciare fusibili, farò test e vedrò se è lui perché non li brucia più da scollegato o se si bruciano si passa a valutare nottolino o se è un ritorno dal solenoide di spegnimento. Il nottolino comunque l'ho smontato e a livello di contatti sembra nuovo, la barca è del 2011.
Spero che mi possiate aiutare, vi ringrazio in anticipo.

Batu


Allegati Anteprime
       
(Questo messaggio è stato modificato l'ultima volta il: 24-06-2021 23:09 da batu.)
24-06-2021 23:03
Trova tutti i messaggi di questo utente Cita questo messaggio nella tua risposta
Wally Offline
Senior utente

Messaggi: 5.776
Registrato: Mar 2018 Online
Messaggio: #2
RE: Fusibile relé avviamento Vetus c2.M5 12cv
Solo un pagliativo, invece di un fusibile montare un interruttore riarmabile dell'amperaggio corretto?almeno schiacci un pulsante e parti fino alla risoluzione vera.
25-06-2021 00:36
Trova tutti i messaggi di questo utente Cita questo messaggio nella tua risposta
giorgio23570 Offline
Amico del forum

Messaggi: 710
Registrato: Mar 2014 Online
Messaggio: #3
RE: Fusibile relé avviamento Vetus c2.M5 12cv
Credo che il problema dovrebbe risolverlo quel meccanico che ha fatto tutti quei lavori non certo gratis. Così, da tastiera, non è proprio facile risolvere.
Forse (dico forse) c'è un problema allo stacca batteria, ai collegamenti del relay o del quadro motore perché se scrivi che si brucia il fusibile a quadro spento mi viene da pensare a qualche collegamento fatto male oppure ossidato.
Una prova però la puoi fare, a quadro spento sul quel fusibile non deve passare corrente/tensione, facilmente verificabile con un tester.
25-06-2021 10:01
Trova tutti i messaggi di questo utente Cita questo messaggio nella tua risposta
batu Offline
Amico del forum

Messaggi: 73
Registrato: Nov 2010 Online
Messaggio: #4
RE: Fusibile relé avviamento Vetus c2.M5 12cv
Grazie ad entrambi.
Il meccanico e bravo, in effetti tutte le cose che ho cambiato erano da fare, forse avrei risparmiato i cavi ma per 100a erano forse al limite forse fuori, in quanto da 20mm2 e in commercio il 90x100 porta fino 80a. Nell'alternatore c'è passata acqua di mare a seguito di una perdita per oring dello scambiatore e il carica batteria non dava cenni di vita.
In effetti ho già il materiale per sostituire il fusibile con un magnetotermico, e la prova con il tester che mi hai suggerito è senz'altro da fare, grazie ad entrambi.
Prossimo we sarò in barca e proverò.

Stò pensando riguardo alla possibilità che si bruci a motore spento, l'alternativa è che si bruci appena giro il nottolino talmente in fretta che non parte nemmeno il bip del quadro, secondo voi è possibile?... Dallo schema elettrico sembra che il segnale per arrivare al bip passi prima dal fusibile, in questo caso potrebbe essere proprio il nottolino?
Grazie e a presto
25-06-2021 15:09
Trova tutti i messaggi di questo utente Cita questo messaggio nella tua risposta
lord Offline
Vecio AdV

Messaggi: 6.979
Registrato: Apr 2008 Online
Messaggio: #5
RE: Fusibile relé avviamento Vetus c2.M5 12cv
da quanti amper il fusibile ?

Quando ti entra nelle vene, non puoi più farne a meno Sir Peter Blake
N.B.J.S. Erik Aanderaa Chi è in mare naviga, chi è a terra giudica
25-06-2021 16:19
Trova tutti i messaggi di questo utente Cita questo messaggio nella tua risposta
batu Offline
Amico del forum

Messaggi: 73
Registrato: Nov 2010 Online
Messaggio: #6
RE: Fusibile relé avviamento Vetus c2.M5 12cv
Il fusibile è da 10a come da specifiche
26-06-2021 14:28
Trova tutti i messaggi di questo utente Cita questo messaggio nella tua risposta
lord Offline
Vecio AdV

Messaggi: 6.979
Registrato: Apr 2008 Online
Messaggio: #7
RE: Fusibile relé avviamento Vetus c2.M5 12cv
Se salta è perchè l'assorbimento supera i 10 A. Lasciamo perdere il quadro del motore che immagino almeno apparentemente funzioni.
Dal ciruito postato, quel fusibile da corrente a tutto il blocchetto . Lui a sua volta da tensione ad un po' di cose. Se come dici hai il dubbio che salti a motore spento, potresti provare isolando giallo, arancione, bianco a testarli separetamente. Banalmente potresti prendere il rosso dopo il fusibile e provare dare corrente ad uno ad uno dei circuiti. Se uno di questi facesse saltare il fusibile avresti trovato il colpevole.

Quando ti entra nelle vene, non puoi più farne a meno Sir Peter Blake
N.B.J.S. Erik Aanderaa Chi è in mare naviga, chi è a terra giudica
(Questo messaggio è stato modificato l'ultima volta il: 26-06-2021 17:59 da lord.)
26-06-2021 17:56
Trova tutti i messaggi di questo utente Cita questo messaggio nella tua risposta
batu Offline
Amico del forum

Messaggi: 73
Registrato: Nov 2010 Online
Messaggio: #8
RE: Fusibile relé avviamento Vetus c2.M5 12cv
Grazie Lord ma potresti spiegarmi piú dettagliatamente come fare....
27-06-2021 23:46
Trova tutti i messaggi di questo utente Cita questo messaggio nella tua risposta
lord Offline
Vecio AdV

Messaggi: 6.979
Registrato: Apr 2008 Online
Messaggio: #9
RE: Fusibile relé avviamento Vetus c2.M5 12cv
staccato il coltello mi sembra molto strano salti il fusibile senza alimentazione. Vado a logica non avendo grande esperienza di motori marini.
Il blocchetto a seconda della posizione alimenta quei fili ( cioè crea un contatto tra rosso sotto fusile e le varie utenze. E' visibile dallo schema cosa alimenta. ) Andrei per tentativi.
Proverei a staccare giallo arancione e bianco con l'attenzione di nn fare corto col nero che è sicuramente una massa ( - ) . Da li potresti, se come dici salta a motore fermo , individurare quale di queste 3 utenze ha un assorbimento anomalo semplicemente tenendo fisicamente staccato il cavo da testare.
Motorino di avviamento - Candelette - Solenoide sono le tre utenze.
A sensazione , visto che il motore si accende e non rilevi nessuna anomalia, ricarica le batterie, il quadro ha tutti i sui strumenti funzionanti, mi verrebbe da suggerirti le candelette che di certo hanno una loro importanza, ma sono meno visibili nella loro azione.
Inoltre in generale seguirei tutti i cablaggi per assicurarmi sia serrati bene dove alimentano le utenze e non si sia qualche cavo magari con la guaina isolante rovinata che fa massa.

Quando ti entra nelle vene, non puoi più farne a meno Sir Peter Blake
N.B.J.S. Erik Aanderaa Chi è in mare naviga, chi è a terra giudica
29-06-2021 13:29
Trova tutti i messaggi di questo utente Cita questo messaggio nella tua risposta
gorniele Offline
Senior utente

Messaggi: 2.862
Registrato: May 2011 Online
Messaggio: #10
RE: Fusibile relé avviamento Vetus c2.M5 12cv
giusto per chiarimento, il fusibile è DOPO l'alimentazione degli avvolgimenti del motorino e delle candelette.
il cavo rosso del connettore "plug A" porta l'alimentazione sotto fusibile al quadro di avviamento che poi lo distribuisce tramite il cavo giallo al comando relais motorino, tramite arancione alle comando candelette (le candelette però ricevono il positivo diretto), il viola alle spie ed eccitazione alternatore, il bianco solenoide arresto motore, nero è la massa.

se stacchi il bianco il motore non parte perché non si apre la valvola di arresto motore.

ottimo il consiglio di Lord di provare a portare la tensione dal fusibile (dopo il fusibile!) ai singoli circuiti non al nero per cortesia che è la massa.

lo schema non è chiarissimo e la mia memoria non lucidissima, ma dovrebbe essere così.


Allegati Anteprime
   
29-06-2021 18:54
Trova tutti i messaggi di questo utente Cita questo messaggio nella tua risposta
batu Offline
Amico del forum

Messaggi: 73
Registrato: Nov 2010 Online
Messaggio: #11
RE: Fusibile relé avviamento Vetus c2.M5 12cv
Grazie ragazzi!
Un ultimo aiutino, mi confermate che devo usare il multimetro misurando gli ampere tra i cavi che mi dite e la massa(cavo nero), giusto?

Il meccanico si è pronunciato: dice che dubita che in effetti si bruci ad utenze staccate, quindi secondo lui:
O è il ripartitore di carica...non sò perché...ma vi ricordo che il caricabatterie è nuovo;
O si brucia in spegnimento motore (solenoide da cambiare), posso testarlo in qualche modo?
O si brucia immediatamente dopo l'accensione e potrebbe essere la bobina del motorino di avviamento che assorbe troppo....

Naturalmente vorrei procedere prima con i test che mi avete suggerito...ma datemi due dritti su come posizionare i cavi del tester please...
29-06-2021 21:43
Trova tutti i messaggi di questo utente Cita questo messaggio nella tua risposta
gorniele Offline
Senior utente

Messaggi: 2.862
Registrato: May 2011 Online
Messaggio: #12
Fusibile relé avviamento Vetus c2.M5 12cv
Dallo schema il solenoide dell'arresto motore è eccitato al positivo a motore acceso, in arresto semplicemente interrompi il circuito.
A me viene da pensare che l'assorbimento possa arrivare dal quadretto, magari qualche pin lasco o ossidato

Inviato dal mio VOG-L29 utilizzando Tapatalk
(Questo messaggio è stato modificato l'ultima volta il: 29-06-2021 22:40 da gorniele.)
29-06-2021 22:38
Trova tutti i messaggi di questo utente Cita questo messaggio nella tua risposta
batu Offline
Amico del forum

Messaggi: 73
Registrato: Nov 2010 Online
Messaggio: #13
RE: Fusibile relé avviamento Vetus c2.M5 12cv
Grazie Gorniele, davvero gentilissimo, come tutti ne approfitto per ringraziare!
Se fosse cosí che almeno il solenoide è da escludere rimarrebbe davvero solo il nottolino e a sentire alcuni pareri anche la bobina del motorino di avviamento che potrebbe avere un assorbimento anomalo, te/voi che ne pensate a riguardo?
Avevo ispezionato i collegamenti del nottolino e sembravano perfetti, li ricontrollerò, ma secondo voi potrebbe essere partito qualcosa all'interno del nottolino? Grazie
01-07-2021 08:53
Trova tutti i messaggi di questo utente Cita questo messaggio nella tua risposta
gorniele Offline
Senior utente

Messaggi: 2.862
Registrato: May 2011 Online
Messaggio: #14
RE: Fusibile relé avviamento Vetus c2.M5 12cv
Quel fusibile,tramite il commutatore di avvio, alimenta tutto il quadro strumenti, forse il problema è lì dentro o nei relativi cablaggi. Basta un po' di lasco e di umido e parte il corto che brucia il fusibile.
02-07-2021 08:22
Trova tutti i messaggi di questo utente Cita questo messaggio nella tua risposta
batu Offline
Amico del forum

Messaggi: 73
Registrato: Nov 2010 Online
Messaggio: #15
RE: Fusibile relé avviamento Vetus c2.M5 12cv
Risultati test e controlli.
1)Smontando il quadretto di accensione motore ho trovato dietro alla scheda elettronica con LED e avvisatore acustico un ossidazione che faceva ponte su due piste, rimossa e pulito con wd40.
2)Ho notato che il fusibile in questione era montato su due fastom e non su un portafusibile e quindi vibrava molto e sospetto che saltuariamente non faceva contatto scaldando e probabilmente raggiungendo picchi di tensione, negozio chiuso e solo per fare prove ho nastrato i due fastom e fissato bene il fusibile.
3)controllando il ripartitore di carica ho notato che è per 80a e io ho 2 batterie da 100a! L'ho scollegato dall'alternatore e quindi isolato.
Risultato dei test:
1000 accensioni e spegnimento, prova a mare e non brucia piú il fusibile...sarà risolta? Bhoooo

Ora dovrò mettere un bel portafusibile fissato non come ora sul motore ma sulla paratia del vano, contro le vibrazioni e sostituire il ripartitore con uno adeguato...vedremo Smile
07-07-2021 07:04
Trova tutti i messaggi di questo utente Cita questo messaggio nella tua risposta
gorniele Offline
Senior utente

Messaggi: 2.862
Registrato: May 2011 Online
Messaggio: #16
Fusibile relé avviamento Vetus c2.M5 12cv
Bravo. Probabilmente il problema era l'ossido nei contatti del quadro.
Il portafusibile puoi metterlo anche volante li fanno anche stagni l'importante è che il cablaggio dei fili sia fatto bene e ben impermeabilizzato possibilmente con del termorestringente

Inviato dal mio VOG-L29 utilizzando Tapatalk
(Questo messaggio è stato modificato l'ultima volta il: 07-07-2021 08:12 da gorniele.)
07-07-2021 08:09
Trova tutti i messaggi di questo utente Cita questo messaggio nella tua risposta
batu Offline
Amico del forum

Messaggi: 73
Registrato: Nov 2010 Online
Messaggio: #17
RE: Fusibile relé avviamento Vetus c2.M5 12cv
Ho capito che cosa fà bruciare il fusibile!
Non sò il perché ma voi sicuramente con il disegno tecnico potreste arrivarci...

Il fusibile si brucia quando lascio la chiave su stop e mi dimentico di mettere su off.
Il mio quadro, partendo da sinistra ha STOP per spegnere, OFF centrale e da usare a motore spento (perché?!) ON, CANDELETTE e START.
Dopo le candelette e lo start, l'interruttore và su ON, anche se ho visto che non cambia nulla se lo tengo su off...bhooo
Qualcuno sà come funziona e perché brucia il fusibile se lascio SU STOP?


Allegati Anteprime
   
19-07-2021 10:25
Trova tutti i messaggi di questo utente Cita questo messaggio nella tua risposta
Wally Offline
Senior utente

Messaggi: 5.776
Registrato: Mar 2018 Online
Messaggio: #18
RE: Fusibile relé avviamento Vetus c2.M5 12cv
(19-07-2021 10:25)batu Ha scritto:  Ho capito che cosa fà bruciare il fusibile!
Non sò il perché ma voi sicuramente con il disegno tecnico potreste arrivarci...

Il fusibile si brucia quando lascio la chiave su stop e mi dimentico di mettere su off.
-Rimane eccitata l'elettrobobina di stop che assorbe corrente da vedere se mettendo su stop il minimo necessaro a far fermare il motore il fusibile si brucia lo stesso, se SI, l'elettrostop é bruciato.
Il mio quadro, partendo da sinistra ha STOP per spegnere, OFF centrale e da usare a motore spento (perché?!) ON, CANDELETTE e START.
Dopo le candelette e lo start, l'interruttore và su ON, anche se ho visto che non cambia nulla se lo tengo su off...bhooo.
Non é vero, su off hai il quadro spento e quindi disalimenti il regolatore di carica dell'alternatore, quindi:
A- Non carichi le batterie
B-Potresti bruciare il regolatore, controlla con il tester a motore fermo la tensione della batteria sará 12,5-13V, a motore in moto circa 13,5-14,4V.
C-In caso di allarmi quali bassa pressione olio od alta temp H2O non avrai segnalazione
Qualcuno sà come funziona e perché brucia il fusibile se lascio SU STOP?
19-07-2021 20:44
Trova tutti i messaggi di questo utente Cita questo messaggio nella tua risposta
batu Offline
Amico del forum

Messaggi: 73
Registrato: Nov 2010 Online
Messaggio: #19
RE: Fusibile relé avviamento Vetus c2.M5 12cv
Grazie per le delucidazioni!
In effetti il ripartitore di carica era bruciato e l'ho appena sostituito, per fortuna il fusibe lo brucia solo se lascio su stop e per un bel pò di tempo, ho fatto dei test scollega do il ripartitore di carica.

Ultimo neo rimasto il quadretto di accensione: avevo trovato un ossidazione che ho rimosso pulendo il circuito elettrico con wd40 ma ora al minimo ogni tanto sembra che il bip dell'allarme olio basso (o acqua calda o alternatore, è lo stesso) inizi a gracchiare. Il quadro nuovo costa 200 euro mi chiedo se c'è qualcuno che revisiona schede elettriche, è 5cm x 5cm, comunque proverò a dargli un altra pulita...
19-07-2021 22:28
Trova tutti i messaggi di questo utente Cita questo messaggio nella tua risposta
Wally Offline
Senior utente

Messaggi: 5.776
Registrato: Mar 2018 Online
Messaggio: #20
RE: Fusibile relé avviamento Vetus c2.M5 12cv
Se al minimo freddo difficilmente potrebbe essere l'olio se a caldo, potrebbe essere anche reale e non vá bwne accelerando sparisce?
19-07-2021 23:36
Trova tutti i messaggi di questo utente Cita questo messaggio nella tua risposta
Rispondi 


Discussioni simili
Discussione: Autore Risposte: Letto: Ultimo messaggio
  cablare un Relé 12V scud 7 758 15-09-2025 13:50
Ultimo messaggio: maema
  Raymarine Autopilota SPX5 salta fusibile graycap 10 558 30-07-2025 12:20
Ultimo messaggio: graycap
  Fusibile sul quadro motore salta matteo 10 754 07-07-2025 09:32
Ultimo messaggio: matteo
  Relé a monte dell’inverter Horatio Nelson 2 715 27-08-2024 10:57
Ultimo messaggio: Horatio Nelson
  volvo penta 2003 cicalino quadro avviamento barbierimaurizio 6 1.803 15-11-2023 17:19
Ultimo messaggio: Silviooooo
  Batteria AGM motore di avviamento collegamento alternatore Diabolik 1 968 24-10-2023 09:02
Ultimo messaggio: scud
  Motorino avviamento Farymann FK2 carlitos1974 2 1.026 08-06-2023 13:00
Ultimo messaggio: carlitos1974
  Frigorifero sostituzione relè impianto non chiaro carloborsani 4 1.257 13-05-2023 17:34
Ultimo messaggio: carloborsani
  Torniamo per un momento al fusibile sulla linea dell'alternatore giorgio8596 26 5.778 02-05-2023 16:52
Ultimo messaggio: giorgio8596
  batteria avviamento motore volvo penta 2003T turitummi 2 1.232 25-04-2023 08:00
Ultimo messaggio: turitummi

Vai al forum:


Utente(i) che stanno guardando questa discussione: 1 Ospite(i)