Frigorifero e batterie
#1
Premetto che in barca ho un frigo (il classico Danfoss) e un congelatore (un portatile). Entrambi sono attaccati 365 gg. l'anno per 24 ore.
Ieri ho voluto fare una prova di "tenuta" delle batterie e alle 9 del mattino ho montato il pannello solare (da 100 A) e ho spento il caricabatterie.
Stamattina entro in barca e il BM nasa mi segnava un consumo totale di 71 ampere (il mio banco servizi da sempre è fatto di 2 ignorantissime batterie Bosch da avviamento sigillate da camion da 140 A l'una per un totale di 280 Ampere) tensione 12,8/12,7, stato di carica 87%.
Il congelatore funzionava perfettamente ma il frigo aveva il motore che sembrava funzionare (si sentiva il rumore) ma l'evaporatore a temperatura ambiente.
Ho riattaccato il caricabattterie e dopo un paio di ore l'evaporatore era bello freddo.
Ora mi chiedo, possibile che il frigo smetta di lavorare con batterie ancora cariche all'87%?
In crociera non ricordo di aver mai avuto un problema simile......

PS: non credo sia collegato al problema di cui sopra ma da qualche mese ho notato un anomalo accumulo di ghiaccio sull'evaporatore, cosa che ho attribuito probabilmente alla guarnizione dello sportello forse da sostituire (anche se non l'ho ancora fatto)
Cita messaggio
#2
Per provare le batterie, il pannello solare (sarà 100W, 5A) va scollegato, così come qualsiasi altra fonte di ricarica.

Probabilmente era rimasto acceso, altrimenti è impossibile trovare 12.7-12.8 dopo un giorno di frigo.

Un po' strano anche l'87%, se lo stesso strumento legge un consumo netto di 71Ah (forse è impostato su una capacità più alta dei 280Ah).
Cita messaggio
#3
Il pannello l'ho lasciato acceso proprio x simulare la situazione crociera
Cita messaggio
#4
Di sicuro il frigo va bene quanto il congelatore. Hai trovato l'evaporatore caldo per qualche motivo elettrico. E per trovarlo, prima della simulazione crociera, occorre provare separatamente i singoli pezzi. Per giudicare le sole batterie, caricarle e farlo andare per un po' di ore senza aiuto, per vedere quanto ci metti ad arrivare sui 12,2V (non scendere oltre).

Qualche possibilità:

1) Le batterie hanno perso capacità, e durante la notte (senza solare) hanno mandato il frigo in protezione. L'hai trovato caldo perché era ripartito da poco, col sole. Se è questo, lo capisci dal test di sopra.

2) Magari le batterie stanno bene, ma hai qualche congegno di selezione automatica della fonte che non va. Es. potrebbe funzionare bene solo con la 220V, ma far cadere la tensione sulla 12V.

3) Forse è il solare che non carica bene. Dovresti vedere quanto eroga (magari te lo indica direttamente il suo controller).
Cita messaggio
#5
Hai ragione. Devo testare in primis le batterie senza il solare
Cita messaggio
#6
Non ho capito quale che sia il problema. Se è perchè il frigorifero era tiepido forse è andato in protezione batteria. Anche il mio ASU sbacchetta e non parte a meno che io non accenda il motore. Verifica la tensione ai morsetti del frigo quando parte il compressore. Se scende troppo o la batteria è fottuta o hai un morsetto lento o un cavo troppo sottile
Cita messaggio
#7
Scud +1: "Se scende troppo o la batteria è fottuta o hai un morsetto lento o un cavo troppo sottile"
Verificato varie volte, quando il caricabatterie è attaccato sopperisce alle cadute di tensione.
Probabilmente il solare non ha caricato abbastanza (congelatore), la tensione batteria si è abbassata ed il frigo è andato in protezione, in genere si sente la ventola ma non il compressore.
Prima di fare altri test io controllerei i cavi e i contatti.
Cita messaggio
#8
Se può servirti, ti metto nella foto qui sotto i cavi e contatti che devi controllare. Vedi sullo sfondo il compressore, e davanti la centralina, sicuramente simile alla tua.
[hide]     [/hide]
Sono i due più in alto (che riconoscerai anche dalla sezione maggiore). Di solito collegati con faston. Ricorda di controllarli bene entrambi, non solo il positivo.

Ricorda che i vari pezzi devi testarli comunque. La tensione maggiore data da una fonte di carica (non importa se da Imarroncinichegalleggiano...., da alternatore o da solare) nasconde il problema e il cuore non duole. Ma se parti, la capacità nella batteria la devi avere, e deve coprirti almeno una giornata di pioggia.
Cita messaggio
#9
Imho ... ma la butto li' ... non ce la fan le batterie ed anche se le hai trovate a 12,8 - 12,7 da due batterie da 140 Ah da START (quello sono) ... ci spremi massimo il 20% di DOD (280 x 20% = 56 Ah).
Quando son nuove (1 - 2 anni max. ma dubito gia' per il 2^) ... tutto ok ... dopo ... ciao.
Sulla percentuale (il dato 87%) conta nulla ... dipende da come e' impostato lo strumento come capacita' totale del banco e consumo effettivo (lui si ... "is king" !!!).

Sicuramente con una prova esatta di un certo rilievo ... te ne rendi meglio conto.

Sulle batterie : n. 2 x 140 Ah ... se fossero deep-cycle ... ci tireresti fuori la meta' (50% di DOD) cioe' 140 Ah ampiamente sufficienti a coprire frigo nelle 24 H. Meglio sempre stare sul 40% di DOD (su 280 Ah di banco sarebbero gia' 112 Ah ... cioe' il doppio della configurazione con batterie da camion [ma le deep-cycle non costano il doppio eh ...]).
Con batterie da START ... mai superare il 20% (gia' troppo !!!).
Se ce la fai a stare in quei limiti ok ... qualunque batteria va bene ... altrimenti ... cominci a dover trovare soluzioni alternative (e qui si vanno a cercar le litio etc. ... invece, di solito, basterebbe ottimizzare prendendo in primis batterie veramente deep-cycle che alla fine costan meno di tutte rapportate alla durata e alla resa in Ah).

Ma sono ipotesi ... le verifiche che farai ... ti daranno sicuramente piu' certezze.

Chiedi pure se hai bisogno (qualunque cosa).
Come la penso io lo sai : 2 batterie da 240 Ah da 6 volt in serie e ti levi la paura !!! (se ci vanno ... ma ci sono altri formati ...).

BV
Cita messaggio
#10
Anch'io sto combattendo da un mese con il mio frigo. A me succede il contrario. Se attacco il caricabatterie da Imarroncinichegalleggiano.... ogni tanto mi va in protezione e non parte il compressore. Con le batterie va benissimo. Ci ho perso la testa e poi ho capito che succede quando il caricabatterie è in fase bulk a 14.1 volts. Qualche ora, poi scende a 13.6 e il frigo riparte. Ho anche provato a inserire con la 220 un raddrizzatore a 24v., ma sale a 27v. e il frigo va in protezione.
mah, non ne posso più, per adesso ci convivo poi finita l'estate farò altre prove...
Cita messaggio
#11
Controlla se hai resistenze sui pin C - P che ci son diversi settaggi di protezione a seconda del voltaggio (max. 17 volt quindi saresti a postissimo).
Dai un'occhiata alla sk del danfoss BD35F qui : [hide]BD35-BD50_instructions[/hide]
Cita messaggio
#12
Molto interessante. Ho una resistenza tra C e T che sapevo servisse per i giri del compressore.
Non ho niente tra C e P.
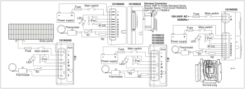
Centralina 101N210.

Quindi dici che potrei provare a mettere una resistenza tra C e P tipo 8,2 [kΩ]?


[hide]     [/hide]
[hide]     [/hide]
Cita messaggio
#13
Teoricamente (leggendo istruzioni) … parrebbe di no.
Ma siccome hai risultati strani … proverei !!

Comunque la resistenza che tu hai per 101N210 (leggendo lo schema : sarebbe la seconda figura per quel modello, al centro non quella a sx) dovrebbe essere proprio su C - P ... che le metterebbe sempre li' (sul solo C la resistenza per i giri [che io non ho ma non ricordo modello del mio]).
Quello che cambia sembrerebbe essere il valore della resistenza ... (e negli anni ... ci sta che il cavo che ti va al termostato sia un po' ossidato ...).

Dalla tua foto (ma non si vede bene che sembra sia spostata in basso) ... c'e' qualcosa sul T ... ma dallo schema ... non dovrebbero esserci resistori su T il cui cavo (il blu ?!? non lo vedo attaccato sul circuitino ma boh) va diretto al termostato (la resistenza per i giri dovrebbe essere su C, interposta in serie).

BV (per la prova)
Cita messaggio
#14
Il problema ora ce l'ho anche con le batterie attaccate al Caricabatterie. Ho come la sensazione che alcune volte il compressore parta (la piastra al tocco è ghiacciata) altre volte no (la piastra è appena fresca). Potrebbe essere un problema di gas?
Comunque il compressore è questo:
[hide]     [/hide]

Ora se guardate bene in basso si vede un pacchettino bianco legato con del nastro adesivo ai due fili rossi. Ho aperto quel pacchettino (pensavo fosse un fusibile di ricambio messo lì dal precedente armatore) e invece ho trovato questo

[hide]     [/hide]
[hide]     [/hide]

Qualcuno ha la pazienza di spiegarmi cosa è questo affare e come andrebbe usato? Grazie.

Da quando ho la barca i collegamenti del frigo non li ho mai toccati. I pin collegati sono il + (cavo rosso), F (cavo blu) C (cavo blu) e T cavo marrone. I pin D e P sono liberi
Cita messaggio
#15
Il circuito serve a cambiare il regime di rotazione del compressore da 2000 a 3500rpm, a seconda della resistenza che si inserisce.
Sul perché e percome le opinioni divergono Big Grin
Cita messaggio
#16
Sai dirmi per caso come si usa? Da quando ho la barca non è mai stato collegato.
Cita messaggio
#17
Carino lo strumentino "regola-giri" ... (a seconda di dove colleghi il fastom ... cambia la "resistenza" e di conseguenza il numero giri del compressore "Compressor speed" a pag. 2 delle istruzioni).
Mi piacerebbe installarlo ...

@kitegorico qui le istruzioni del compressore BD35F : [hide]DanfossBD35F[/hide]






Ho trovato questa sk come alternativa (vedi foto). Qualcuno lo conosce ?!?


Allegati Anteprime
   
Cita messaggio
#18
(08-07-2023, 19:45)... Ha scritto: Carino lo strumentino "regola-giri" ... (a seconda di dove colleghi il fastom ... cambia la "resistenza" e di conseguenza il numero giri del compressore "Compressor speed" a pag. 2 delle istruzioni).
Mi piacerebbe installarlo ...

Domande:

1) a quale pin va collegato? Sull'accrocchio accanto ai numeri crescenti c'è scritto T, quindi immagino che il pin sia quello.

2) Perchè sul retro dello stumentino ci sono tre fastom? Quale dei tre dovrei usare?

3) ovviamente il cavo che andava al pin sul quale si monta il retro dello strumento andrà attaccato ad uno dei pin sul davanti. Ora Immagino anche che i numeri crescenti da 2000 a 3500 siano le velocità del compressore (o no?) ma che significa Low Level? E il fatto che a fianco ci sia scritto C T significa che se uso questa opzione posso collegare indifferentemente l'accrocchio sia al C che al T?

Ahimè in rete ho trovato l'aggeggino (sul sito della danfoss) ma non le istruzioni per l'uso .......
Cita messaggio
#19
Chiarisco che e' la prima volta che vedo l'accocchino (ed ho scoperto da questo 3d che ne sono almeno di ben N. 3 [tre] tipi diversi che un'altro lo ha postato @canadese al msg #12 alla prima foto del suo msg).

Leggi le istruzioni del frigo (non dell'accrocchio). Istruzioni di cui al link al msg #11 e #17 .
Va prima capito come funziona il frigo.

Nelle istruzioni, ci sono diverse centraline elettroniche (anche qui : tre tipi diversi di centraline a meta' pag. 14 del PDF istruzioni BD35F, che ha solo due pagine, la 13 e 14). Qui vedi il dettaglio centraline :
[hide]     [/hide]
Per esempio, quella di @canadese e' la centralina 101N210 (la tua non si vede che la foto non e' chiara nel punto in alto dove si legge il codice).


Importante e' capire cosa fa la resistenza R1 (per i giri a fine pag. 14 tabella "Compressor speed" che inserisco qui di seguito) :
[hide]     [/hide]


e la resistenza R2 (per i voltaggi tollerati a fine pag. 13 nella tabella "Optional battery protections settings" che inserisco qui di seguito) :
[hide]     [/hide]


Capito come funziona l'accoppiata centralina/compressore ... i cui contatti (sulla centralina) hanno anche i pin C T dove dovremo attaccare il THERMOSTAT ... l'accocchino va infilato (vedi seconda foto allegata a questo msg) esattamente com'e' sui PIN C T (allego figura con centralina e accocchino infilato sui PIN). Dovrebbe combaciare "e s a t t a m e n t e".


LOW-LEVEL dell’accrocchino tua tipologia (c’è ne son almeno 3 diversi) credo sia la resistenza R2 (pag 13 delle istruzioni) che influisce sul voltaggio tollerato per lo stop/ripartenza che credo sia il problema che ha @canadese che gli si ferma ad un certo voltaggio e riparte quando inferiore (nelle istruzioni è l'opposto ma … boh ... ha questa stranezza su cui sta indagando e spero ci fara' sapere Smiley50).


Purtroppo, io ... non ce l'ho !!!! (il mio va in AEO cioe' : automatic ... sonasegadellasigla ... sostanzialmente fa da se la regolazione giri).




Ho trovato la sigla a pag. 14 (in fondo) 99 :
In AEO (Adaptive Energy Optimizing) speed mode the BD compressor will always adapt its speed to the actual cooling demand.


43


Allegati Anteprime
   

.jpg   danfoss_101n0210_e51045.jpg (Dimensione: 21,5 KB / Download: 476)
Cita messaggio
#20
Perdonami ma quale è il livello minimo di batteria a cui il frigo si spegne?
Words are, in my not-so-humble opinion, our most inexhaustible source of 
magic.
Cita messaggio


Discussioni simili
Discussione Autore Risposte Letto Ultimo messaggio
Star Il frigorifero ed il suo mondo orteip 33 10.504 01-10-2025, 16:20
Ultimo messaggio: Jonah11
  Frigorifero pozzetto - unica vasca o piu pannelli incollati ? gpcgpc 5 1.120 01-09-2024, 11:35
Ultimo messaggio: gpcgpc
  Frigorifero. Da pozzetto a cassetto. Jonah11 5 1.954 16-11-2023, 07:12
Ultimo messaggio: orteip
  Pulizia circuito acqua di mare del frigorifero Northwind 2 1.312 31-03-2022, 15:58
Ultimo messaggio: Northwind
  Frigorifero Indel B ln42 sostituzione guarnizione compressore Goriboy 3 3.633 29-12-2021, 21:26
Ultimo messaggio: ns220
  Aggirare protezione low battery frigorifero danfoss santicuti 8 2.545 06-08-2021, 08:21
Ultimo messaggio: BornFree
  malfunzionamento frigorifero giapao 17 5.626 19-03-2021, 15:05
Ultimo messaggio: RMV2605D
Star Bavaria 44 e frigorifero - ecco perchè ho sostituito il mio orteip 17 6.634 27-10-2020, 10:46
Ultimo messaggio: Moody
Star Bav 44 - Altro Upgrade frigorifero orteip 3 2.336 27-10-2020, 10:00
Ultimo messaggio: lord
  Spostamento batterie Nanni64 18 3.403 12-06-2020, 08:42
Ultimo messaggio: Nanni64

Vai al forum:


Utenti che stanno guardando questa discussione: 3 Ospite(i)