13-08-2024, 08:58
(Questo messaggio è stato modificato l'ultima volta il: 13-08-2024, 09:27 da Marepiatto.)
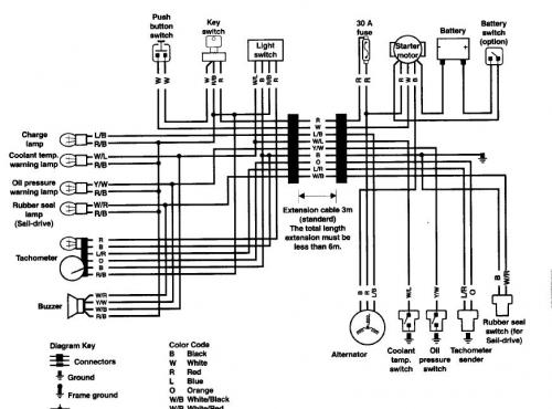
Avrei bisogno di aiuto. Ho problemi saltuari di avviamento. Quando "giro" la chiavetta di avviamento il motorino non dà segno di vita, né utilizzando la batteria 2 né le due batterie insieme. Poi, senza apparente ragione utilizzando la 1 o le 2 insieme o la 2 parte benissimo. Quando proprio non ne vuol sentire parlare, provo a far fare qualche giro con la manovella e allora parte. Leggendo nel forum spero di aver capito che potrebbe essere il relais o il blocchetto della chiave di avviamento.
Dato che ho già sostituito prima le batterie e poi anche il motorino di avviamento, vorrei provare prima a sostituire il relais. Per farlo vorrei trovare dove si trova per cercarne il ricambio uguale yanmar. Qualcuno sa se è nel quadro comandi o sul motorino o dove? Grazie a tutti per la pazienza.
Dato che ho già sostituito prima le batterie e poi anche il motorino di avviamento, vorrei provare prima a sostituire il relais. Per farlo vorrei trovare dove si trova per cercarne il ricambio uguale yanmar. Qualcuno sa se è nel quadro comandi o sul motorino o dove? Grazie a tutti per la pazienza.
